
产品分类
更新时间:2026-01-05
浏览次数:31一. 安科瑞分布式光伏监控系统
Acrel-1000DP分布式光伏监控系统是我司根据电力系统自动化及无人值守的要求,总结国内外的研究和生产经验,专门研制出的新一代分布式光伏监控系统。本系统通过通信管理机及网络交换机实时采集微机保护装置、电能质量监测、计量、远动系统等二次设备数据,实现监控区域光伏发电系统全面监控与自动化管理。同时在监控室配置通信系统、对时系统、远动系统满足系统内部的通信与上级调度需求,配置一套一体化电源系统,为二次设备及监控主机等重要设备运行提供稳定可靠的电源,实现整个光伏系统的安全、稳定运行。
通过Acrel-1000DP分布式光伏监控系统平台即可对用户光伏发电、用电进行集中监控、统一调度、统一运维,满足用户可靠、安全、节约、高效、有序用电的要求。对用户提供运维服务,实现能源互联,信息互通,打破信息孤岛;根据用电设备负荷重要性分级管理,错峰有序用电。

分布式光伏监控系统包含:
1、防孤岛保护装置;2、电能质量在线监测3、频率电压紧急控制4、逆变器监测5、发电计量系统6、视频监控7、环境辅助监控8、远动上传调度9、光功率预测
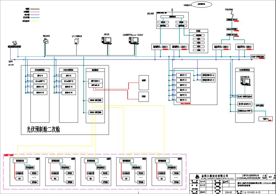
分布式光伏监控系统拓扑图
二. 适用场景
泛在电力物联网、钢厂、化工、水泥、数据中心、医院、机场、电厂、煤矿等厂矿企业、变配电所。

三 . 光伏并网方式(低压和高压并网)
3.1 分布式光伏0.4kV并网
此项目为车间新建屋顶分布式光伏发电项目,建设装机容量为1103.46kWp。组件采用单晶硅功率515Wp及550Wp组件,分布在2#厂房及办公楼屋顶,分块发电,分为3个0.4kV子系统并网。根据屋面情况布置太阳能电池板,所发直流电经过逆变器逆变成交流后,接入厂区配电房0.4kV母线。

3.2 分布式光伏10kV并网
拟在某公司十二个屋面建设17.99985MWp分布式光伏发电项目,项目采用“自发自用,余电上网”模式,采用XGF10-Z-1国网典型设计方案,共利用原有三个电源点作为光伏高压并网点并入电网端,光伏组件选用550Wp单晶硅光伏组件;逆变器选用组串式逆变器,光伏发电逆变器电源电压为800V,经室内升压变升压至10kV后,通过高压电缆接入新增的10kV光伏高压柜,并入原10kV市电高压柜。

四. 安科瑞分布式光伏监控系统功能界面
4.1 综合监测界面
展示光伏电站名称、位置、逆变器数量等基本信息;统计当前光伏电站日、月、年发电量;按汇流数据分散分析每组光伏组件发电功率以及工作状态。

4.2 电能质量监测界面
监测站内电能质量检测仪所采集数据,如电压有效值,偏差率,谐波畸变率,电流有效值,分相功率,总功率等;通过柱状图展示电能质量检测仪谐波和间谐波各频谱;通过曲线图展示三相电流/电压谐波数据、实时负荷曲线、有效值/波动/偏差/闪变等参数;展示所选站点下全部电能质量检测仪所有暂态事件。

4.3 逆变器曲线分析界面(阳光电源,锦浪,固德威,华为)

4.4 分布式光伏组件监控界面
监测整个光伏阵列各个组件的电压、电流、功率等电参量信息;监测逆变器当前输入功率、输出功率、温度及当前状态等信息;监测逆变器交直流侧电参量信息。

4.5 光功率预测系统
根据《光伏发电站接入电力系统的技术规定》GB/T 19964-2012的相关要求,装机容量10MW及以上的光伏发电站应配置光伏发电功率预测系统,系统具有0h-72h短期光伏发电功率预测以及15min-4h超短期光伏发电功率预测功能。
光伏发电功率预测系统通过采集数值天气预报数据、实时环境气象数据、光伏电站实时输出功率数据、光伏组件运行状态等信息,可按照电网调度技术要求,实现标准格式的短期功率预测(预测光伏电站未来0h-168h的光伏输出功率,时间分辨率为15min)、超短期功率预测(预测未来15min-4h的光伏输出功率,时间分辨率为15min),以及光伏电站实时气象数据、装机容量、投运容量、大出力等信息的上报。同时,光伏电站的功率预测与主站之间应具备定时自动和手动启动传输功能。

根据《光伏发电站接入电力系统的技术规定》GB/T 19964-2012产权分界点处不适宜安装电能计量装置的,关口计量点由光伏发电站业主与电网企业协商确定。关口计量点考虑,按1+1配置0.2S级智能电能表;系统侧按关口考核点考虑,按1+0配置0.2S级智能电能表,通过电量采集装置上传,计量关口用的CT采用0.2S级,PT采用0.2级。计量装置配置应符合DL/T 448的要求。
4.6 AGC/AVC控制系统
据《光伏发电站接入电力系统的技术规定》GB/T 19964-2012的相关要求,光伏发电站应配置有功功率控制系统,具备有功功率调节能力、参与电力系统调频、调峰和备用的能力。光伏发电站应配置无功电压控制系统,无功功率和电压调节控制的对象包括逆变器无功功率、开关站无功补偿装置等,优先采用逆变器及无功补偿装置进行调节。

4.7 分布式光伏调度自动化
根据“电力二次系统安全防护规定”的要求,按照“安全分区、网络专用、横向隔离、纵向认证”的基本原则,依据二次系统安全防护的要求,安全I区:开关站的监控系统、AGC、AVC、电能质量在线监测、远动系统、五防系统等;
安全II区:故障录波装置、网络安全监测装置、电能量采集系统、光功率预测等;
安全III区:视频监控、气象站服务等。
生产控制大区的业务系统在与其终端的纵向联接中使用无线通信网、电力企业其他数据网(非电力调度数据网)或者外部公用数据网的虚拟专用网络方式(VPN)等进行通信的,应当设立安全接入区。生产控制大区与管理信息大区之间必须设置经部门检测认证的电力专用横向单向安全隔离装置。生产控制大区内部的安全区之间应当采用具有访问控制功能的设备、防火墙或者相当功能的设施,实现逻辑隔离。
五 . 分布式光伏案例分享
5.1. 浙江安吉某照明公司 分布式光伏
光伏电站经汇流后经逆变器逆变为0.8kV交流电压,再经2台1600kVA升压变升压至10kV。10kV预制仓主接线形式采用单母线接线,单点并网。高压配电室和监控设备处同一配电房内。
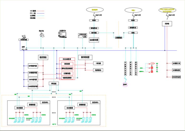
建议本期分布式光伏站采用光纤通道,通过电力调度数据网方式上传信息,将电力电量数据传至地县调度自动化系统、电能量自动采集管理系统。需在光伏电站侧配置相应通信和网络设备,并具备与电网调度机构之间进行数据通信的功能,能够采集电源的电气运行工况,上传至电网调度机构,同时具有接受电网调度机构控制调节指令的能力。

组网拓扑图

5.2.江苏宿迁某新材料 分布式光伏
装机容量为4.02819MW光伏电站,采用分块发电、就地逆变、集中并网的方案;本项目光伏电站经升压变就地升压为10kV,集中汇流至10kV光伏开关站,通过1回电缆线路接入宿迁市城区开发投资有限公司配电房10kV母线上的新建开关柜。

光伏电站需配置1套单独的防孤岛保护装置,配置1套满足GB/T19862《电能质量监测设备通用要求》的A类电能质量监测装置,用于分布式光伏项目的电能质量指标的监测。孤岛现象发生时频率、电压将发生突变,建议光伏电站侧配置1套频率电压紧急控制/解列装置。本期需在光伏电站10kV出线侧装设一套频率电压紧急控制装置,频率电压紧急控制装置应具备滑差闭锁功能投退以及判断短路功能。

系统功能界面展示

5.3. 浙江德清某汽配分布式光伏
装机容量为3.9MW,采用自发自用余电上网模式。公司内设有 10kV 降压配电房, 现配变规模为 5430kVA, 电压等级采用 10/0.4kV。电源来自 110kV 高林变电站, 10kV 直立 678线供电;新建 10kV 电缆接入 10kV 直立 678线。

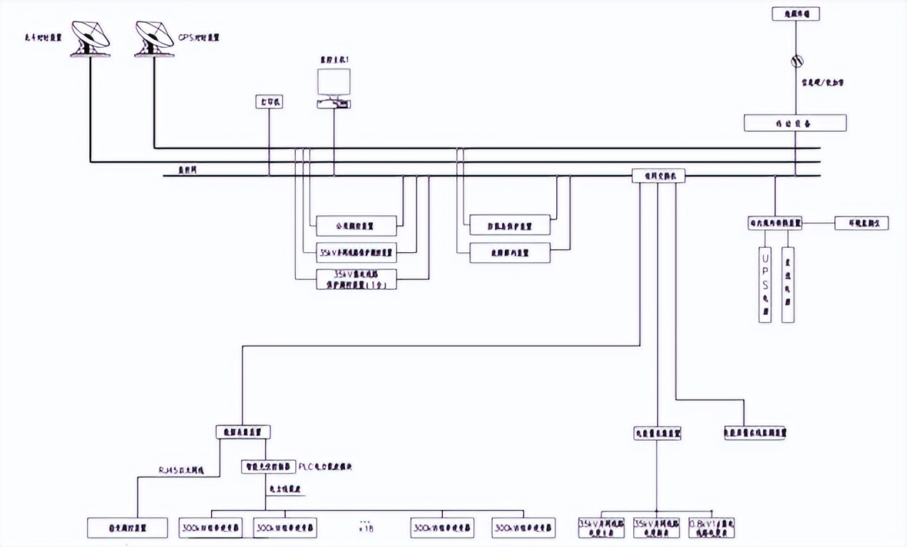
组网拓扑图

5.4. 海南某养殖集团 分布式光伏
项目现场有多个养殖场,借用养殖场厂房屋顶铺设分布式光伏,光伏发电自发自用,余电上网,集团部署Acrel-Cloud1200光伏管理云平台集中管理多个养殖场分布式光伏发电情况。

场区设置1座10kV箱式变压器1600kVA,采用10kV电压等级并网。安装50kW组串逆变器1台,70kW组串逆变器13台,100kW组串逆变器3台,110kW组串逆变器1台,整体光伏发电量1.39MW。二次现场部署一套安全自动装置屏(公共测控装置*1、防孤岛保护装置*1、故障解列装置*1、电能质量在线监测装置*1)保护站内发电运行安全,一套远动通讯屏(配置远动网关*1、时钟同步装置*1、交换机*1、纵向加密装置*1)完成调度上传,就地部署一套Acrel-1000DP分布式光伏系统,便于本地控制,同时数据上传集团分布式光伏管理云平台。

5.5. 浙江杭州某物流分布式光伏
光伏电站经汇流后经逆变器逆变为0.8kV交流电压,再经1台1600kVA升压变升压至10kV。10kV预制仓主接线形式采用单母线接线,单点并网接入浙江杭州某物流配电房 10kV 母线。

组网拓扑图

5.6. 湖北某生物工程 分布式光伏
项目为屋顶分布式光伏项目,该项目的容量为21.35MW,项目采用自发自用、余电上网的消纳方式。利用原有的电源点作为光伏高压并网点并入电网端,在东区和西区设置一次预制舱,预制舱内安装有光伏出线柜,计量柜,光伏集电柜,PT柜,站用变柜,光伏并网柜。逆变器发的电通过10个低压并网柜并入0.4kv母线通过变压器升压后并入10kv电网,东区、西区集中并网点经过箱变升压后并入10kv电网。

东区二次舱部署1面安全自动装置屏、1面公共测控屏与1面通信屏,西区二次舱内配置1面安全自动装置屏、1面公共测控屏、1面通信屏和1套Acrel-1000DP分布式光伏监控系统,实现微机保护装置、测控装置、直流屏、保护装置、电能质量监测装置以及其它智能设备的数据采集分散装置有:光纤差动保护*4台,电能质量监测装置*2台、线路保护装置*2台、PT监测装置*2台。

系统界面功能展示

5.7. 浙江嘉兴某新能源分布式光伏
装机容量为2.9MW,本项目光伏组件发电经逆变器逆变为0.8kV交流电压,再经过0.8kV/10kV变压器升压后,以10kV单个并网点接入原有供电系统.装机容量为2.9MW,本项目光伏组件发电经逆变器逆变为0.8kV交流电压,再经过0.8kV/10kV变压器升压后,以10kV单个并网点接入原有供电系统

组网拓扑图

5.8. 内蒙古鄂市某煤矿 分布式光伏
该项目为接入客户内部电网,选择自发自用,余电上网分布式新能源发电项目(上网比例不超 25%),确定为C 类并网客户。用户用电项目为三类负荷,本次分布式新能源项 目安装 2500kVA 变压器 2 台,总容量为 5000kVA。该用户国民经济行业分类为:电力、热力的生产和供应业。

本项目需要采用232链路走101协议,通过4G路由器的232接口将信号转换为无线信号,通过电网分配的SIM卡网络上传调度主站。数据上传不需要走纵向加密,类似于FTU或DTU的数据上传。

5.9. 安徽六安某建材分布式光伏
装机容量为5.5MW。光伏电站经汇流后经逆变器逆变为0.8kV交流电压,再经1台1600kVA和1台2000kVA升压变升压至10kV。10kV预制仓主接线形式采用单母线接线,单点并网接入建材配电房 10kV 母线。

5.10. 上海某汽车变速器 分布式光伏
装机容量为8.3MW,采用自发自用余电上网模式。用户配电站为35kV用户站,站内2台35kV主变,容量均为20MVA。本次光伏设计2个并网点,光伏组件逆变为0.8kV交流电压后经升压后接入用户配电站10kV侧母线的高压配电房。本项目通过数据通信终端采用无线公网作为传输通道接入地调系统。采集光伏并网进线柜的电流、电压、有功、无功、功率因数、有功电度、无功电度及断路器状态等信息。

组网拓扑图

5.11. 上海宝钢某某某公司 分布式光伏
本次利用厂房屋顶建设光伏发电系统,分布式光伏系统所发电量采用就地消纳,自发自用,余电上网。本项目光伏发电系统所输出的直流电经组串式逆变器转换成交流电后,就地升压至10KV,经开关柜通过1回出线接入至厂区10KV进线母线的用户侧,实现并网,供厂区负荷使用。结合用户的总厂用变压器容量(4100KVA)及一期已经并网运行的光伏系统总量(1200kW)分析,光伏并网容量不超过厂变容量的80%,再根据屋面的勘查情况考虑,确定本光伏项目的建造容量为712.8kWp为宜。

本项目光伏电站配置一套综合自动化系统,采用安科瑞电气股份有限公司所提供的Acrel-Cloud1200分布式光伏电力监控系统具有保护、控制、通信、测量等功能,可实现光伏发电系统、开关站的全功能综合自动化管理。本项目逆变器、高低压设备等状态信号都要接入本监控系统。

5.13. 福建漳州某重工 分布式光伏
光伏组件选用550Wp单晶硅光伏组件;逆变器选用组串式逆变器,1500V系统,容量为225kW,1#光伏配电房30台、2#光伏配电房28台、3#光伏配电房27台,共计85台逆变器,装机容量5999.95kWp,共计总装机容量18MW。

二次设计:计量方式是本光伏项目发电量采用“自发自用,余电上网”的方式,向系统上送功率。在光伏10kV并网柜内配置一套并网计量电能表,作为光伏发电量统计。
微机保护部分:10kV光伏并网柜应配置方向电流速断、过流保护,防孤岛,故障解列装置;逆变器应配置防孤岛保护,输出过流保护,输入反接保护。

本项目共三个光伏配电房,每个配电房分别提供通讯屏、站控屏(1防孤岛保护*1、电能质量监测装置*1、公共测控装置*1、故障解列*1)、直流屏。
每面通讯屏配置通信采集装置、光网交换机以及时钟同步装置,3#通讯屏内部署时钟同步主模块,1#、2#部署从模块,确保全站光伏配电房数据时间统一。3#光伏配电房为集中监控室,单独部署远动屏与监控主机屏,进行集中监控查看,并于调度端建立联接,将数据上传调度,同时接受调度调节指令,合理规划分布式光伏发电。其他14台分散保护和3台电度表分散安装于就地开关柜实现各自功能。

光伏监控系统按三层式(站控层、通信层、设备层)架构,通过通信管理机或协议转换器对光伏发电系统的各种设备(逆变器、防孤岛保护、故障解列装置、电能质量监测装置、直流屏等设备)信息进行存储和处理。将处理好的数据上传至SCADA系统和远动装置,远动装置经调度数据网(无线通信网)将数据上传至漳州供电公司配调,计量系统经用采终端直采直传至漳州供电公司配调主站用采系统光伏发电管理部门。

群调群控装置接收调度指令,按要求调整光伏场站的出力,将调度指令发电量分解到各个并网点,缓冲分布式光伏对主电网的冲击,同时利用分布式光伏协控装置调节逆变器的无功输出实现配电网的电压协调优化控制,缓解甚至是解决分布式光伏并网点电压过高等诸多风险。

5.14. 云南某机场 分布式光伏
通过Acrel-1200分布式光伏云平台,用一套系统同时对长水机场、临沧机场、三义机场的三个分布式光伏项目数据做到了统一监测,一旦发生故障,提供分级报警和运维功能,大大提高了监管运维效率,帮助客户更好地监视、管理光伏电站。

系统界面/现场照片

5.15. 青海油田某地块 分布式光伏
新建规模为 5MW 光伏发电站,通过光伏利用系统替代网电,采用单块容量为 550Wp单晶硅双面电池组件,光伏电站占地面积 91879.29m2,25 年年均发电量 1147×104kW·h,年均发电时数 1776h。 每 34 块组件串联为 1 路光伏组串,每 19 路~20 路组串接入 1 台 300kW 逆变器, 每 9 台逆变器接入 1 台 3.15MVA 箱变,将逆变器输出的低压交流电升压至 35kV。2 台箱变高压侧并联为 1 回 35kV 集电线路,建设 35kV 架空线路(4.0km)至青海油田该区块35kV 变电所,并网点位于 35kV 侧,由青海油田该区块生产生活用电负荷进行消纳。

低电压穿越:光伏发电系统应具备一定的低电压耐受能力。当电力系统事故或扰动引起光伏电站并网点的电压跌落时,在一定的电压跌落范围和时间间隔内,光伏电站能够保证不脱网连续运行。
孤岛保护:乌南光伏电站设置防孤岛保护装置,选用的逆变器均具有防孤岛保护功能。
过流保护:按照规定,光伏电站应具备一定的过流能力,要求在 120%倍额定电流以下,光伏发电系 统连续可靠运行时间应不小于 1min。
电能质量监测:遵照 IEC61000-4-30《测试和测量技术-电能质量测量方法》中规定的各电能指标的测量方法进行测量,集谐波分析、波形采集、电压暂降/暂升/中断、闪边检测、电压不平衡度监测、事件记录、测量控制等功能。
箱变测控: 箱式变电站内设测控装置,现地显示箱变内高压侧负荷开关动作信号、低压侧开关动作 信号、变压器温度信号、变压器油温、油位等非电量信号,同时输出保护动作和告警信号。

伏电站数据通信网采用工业以太网技术组网,每个子阵设置 1 套智能通信装置,安装在预装式升压站内,组串逆变器信息通过电力载波与智能通信装置通信,预装式升压站测控装置与智能通信装置通信通过以太网通信,智能通信装置与站控层交换机通过以太网通信, 升压站组网交换机为光口光纤通信,通过远动设备汇总升压站测控装置与智能通信装置数据后接入 SDH 光传输设备与上端枢纽变电站联网。
六. 总结
Acrel-1000DP 分布式光伏监控系统,整合数据采集、自动化管理等功能,涵盖防孤岛保护、逆变器监测、光功率预测等多元模块,适配低压 0.4kV 和高压 10kV 等并网方式。系统适用于厂矿企业、数据中心等多场景,已在浙江、江苏、海南等多地的工业、物流、养殖等行业落地多个项目。通过本地监控与云平台协同,实现光伏系统集中管控、高效运维,保障安全稳定运行,助力能源高效利用!
关于我们
公司简介荣誉资质资料下载产品展示
AKH-0.66/K K-24 150/5A出口北美电流互感器UL认证开口式电流传感器 AHBC-LTA安科瑞闭环霍尔电流传感毫安级电流互感器 AHLC-LTA直流漏电流电流传感器 直流霍尔互感器 AKH-0.66 K-120×50N低压电流互感器 开口式电流传感器 ASCB3-80m-C16-1P小型智能断路器远程控制分合闸故障预警服务与支持
技术文章新闻中心联系我们
联系方式在线留言版权所有 © 2026 安科瑞电气股份有限公司 备案号:沪ICP备05031232号-31
技术支持:智能制造网 管理登陆 sitemap.xml