
产品分类
更新时间:2026-04-01
浏览次数:11光伏圈沸腾啦!2026年6月18日,国家能某源某局正式实施新版《分布式电源接入电力系统承载力评估导则》,6月18日起正式取消变压器80%反向负载率硬约束,全国推行绿、黄、红三色分区管理,往后装光伏,再也不用被“卡脖子”。这一举措打破了行业发展的桎梏,释放出万亿市场潜力,标志着光伏行业正式迈入“无硬限”发展新阶段。
根据新规则,即便是传统意义上的“黄区”或“红区”,只要配置储能,就能提升接入优先级,放宽接入容量上限 。二. 新政的核心重点
2.1 取消了“台区变压器反向负载率达到80%差异化管控更灵活,禁止新增分布式光伏项目接入”的硬性规定,告别了“一刀切”禁批的模式。
2.2 推行绿、黄、红三色分区管理,精准适配不同区域电网承载力。绿区(负载率<60%)可无条件接入,即报即接,无需额外审批;黄区(60%≤负载率<85%)配置储能或安控装置,即可正常并网;红区(负载率≥85%)不再一禁了之,经电网改造后可有序接入。
2.3 审批流程也大幅优化,实现了线上化申报、系统自动评估,审批时限从30天压缩至3个工作日以内,并且扩大了适用范围,将110kV电压等级、总装机≤50MW的大型工商业分布式光伏,统一纳入分布式管理,让并网规则更加清晰。
三. 新政带来的“好处”
3.1 收益更有保障,安全更放心
新规要求分布式电源具备“可观、可测、可调、可控”能力,并加大了对劣质组件、功率虚标、“光伏套路贷”等违规行为的监管力度 。
3.2 安装门槛降低,好屋顶不再“浪费”
新规推行全国统一的“绿黄红三色分区管理”,根据新规则,即便是传统意义上的“黄区”或“红区”,只要配置储能,就能提升接入优先级,放宽接入容量上限 。对于工业园区、大型企业而言可充分利用闲置厂房屋顶安装光伏,降低用电成本,同时获得绿色能源认证,提升企业竞争力。
3.3 审批流程“光速”提速
以前提交申请、排队审核、现场勘查……新规明确要求电网企业搭建动态承载力预警系统,推行 “AI一站式并网申报” ,审批时限从原来的30个工作日大幅压缩至3个工作日以内 。
四. 安科瑞分布式光伏储能管理平台解决方案
安科瑞分布式光伏储能管理平台解决方案针对用户新能源接入后存在安全隐患、缺少有效监控、发电效率无法保证、收益计算困难、运行维护效率低等痛点,平台对整个用户电站全面监控,为用户实现降低能源使用成本、减轻变压器负载、余电上网,提高收益;节能减碳,符合国家政策。
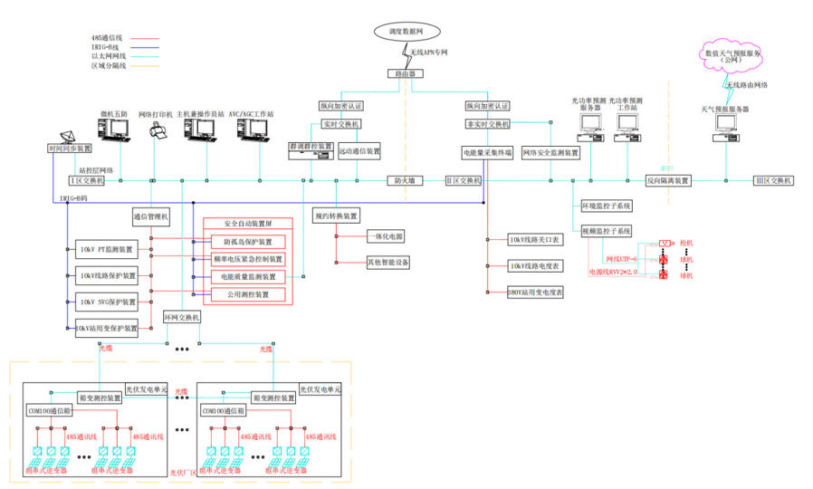
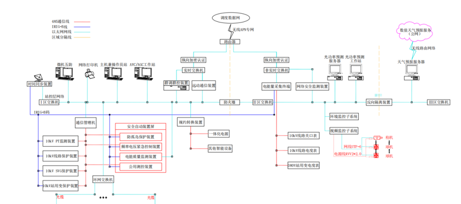
4.1 分布式光伏监控系统系统拓扑图

全站安全稳定运行 :继电保护及安全自动装置 ;
发电效益与收益 :逆变器监测与箱变测控 / 光功率预测/ 防逆流保护与控制策略 ;
标准规范并网 : AGC/AVC控制系统/调度自动化 ;
安全防护 : 全站电力监控与运维/ 环境辅控系统 / 视频监控系统 。
4.2 安科瑞产品—防孤岛保护装置
根据《光伏发电站接入电力系统的技术规定》GB/T 19964的相关要求,光伏发电站应配置独立的防孤岛保护装置,动作时间应不大于2s。防孤岛保护还应与电网侧线路保护相配合。
孤岛islanding :包含负荷和电源的部分电网,从主网脱离后继续孤立运行的状态。孤岛可分为非计划性孤岛和计划性孤岛。
孤岛效应的危害:
① 当电网侧停电检修,若并网光伏电站的逆变器仍在继续供电,维修人员不一定意识到分布式系统的存在,从而可能危及维修人员的安全。
② 当孤岛效应发生时,负荷大于或者小于光伏发电功率,电网不能控制供电孤岛的电压和频率,电压幅值和频率的漂移会对用电设备带来破坏;
③ 如果逆变器仍然在发电,由于并网系统输出电压和电网电压之间产生相位差,当电网重新恢复供电时会产生浪涌电流,可能会引起再次跳闸或对分布式发电系统、负载和供电系统带来损坏。
4.3 安科瑞产品—电能质量在线监测装置
根据《光伏发电站接入电力系统的技术规定》GB/T 19964的相关要求,光伏电站并网点应装设满足《电能质量检测设备通用要求》GB/T 19862标准要求的A类电能质量在线监测装置,且监测点应放置在并网点。对光伏电站可能引起的谐波、直流分量、电压波动和闪变、三相不平衡度、注入电网直流分量进行在线监测,装置具有通讯接口,具备远传电能质量数据功能,电能质量数据通过综合业务数据网上传至电能质量检测主站。
4.4 安科瑞产品—频率电压紧急控制装置
4.5 安科瑞产品—公共测控装置
4.6 光伏预制仓继电保护装置
4.7 升压箱变保护测控装置
4.8 柔性调节逆变器出力与防逆流保护跳闸
测量市电进线处的下网功率,当出现低功率时(具体数值根据供电部门定值和延时动作时间确定),通过能量管理系统(定制化软件)在无人值守状态下实时动态调整逆变器输出功率来实现光伏电站持续运行,同时也要确保输出功率能量管理系统(定制化软件)安全、可靠运行。
当出现逆功率时(具体数值根据供电部门定值和延时动作时间确定),由逆功率保护装置切开并网柜。
当出现市电下网功率恢复时(具体数值根据供电部门定值和延时动作时间确定),系统能自动合闸并网柜,并且自动恢复逆变器功率值,确保现场稳定运行
防逆流控制策略
新能源并网时,光伏或储能发电不允许上送电网时采用防逆流控制策略,降低光伏发电量,或增加可调负荷投入。市电处监测防逆流指标,根据逆功率或低功率判断逻辑降低光伏有功发电。通过系统调节光伏电场的有功出力。
4.9 安科瑞产品—防逆流保护装置

4.10 安科瑞产品—光功率预测系统

4.11安科瑞产品—光伏并网点发电功率计量
调度自动化,远方电能量计量系统
电力安全防护:AGC/AVC控制系统
五. 分布式光伏与管理平台界面
5.1全站综合监控
5.2 并网点电能质量分析
5.3 逆变器运行监测
5.4 逆变器运行分析

全站电力监控与运维:视频/环境辅控
并网柜/预制仓柜内电气接点测温
六. 储能监控系统解决方案
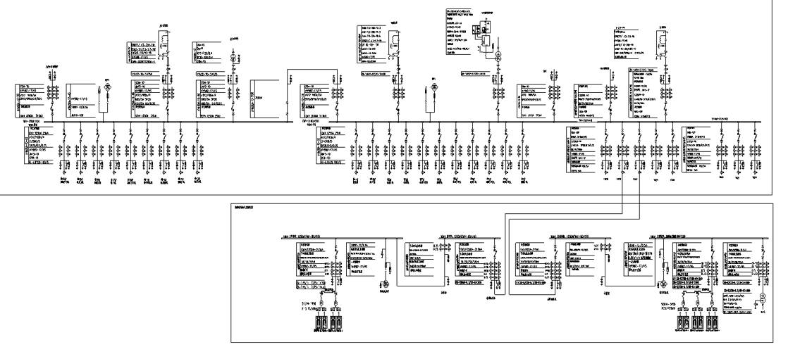
6.1系统拓扑图
6.1储能监控系统,典型一次并网图
6.2 储能系统平台界面界面概览
PCS交流侧状态
PCS直流侧状态
储能收益报表可下载
项目案例照片


其他部分案例
七. 结 语
2026年6月18日起,国家能某源某局新版导则取消变压器 80% 反向负载率硬限,推行绿黄红三色分区管理,审批提速至3个工作日,释放万亿光伏市场。安科瑞分布式光伏储能管理平台,提供全景监控、防孤岛、防逆流、电能质量监测、光功率预测等全栈方案,适配新政 “可观可测可调可控” 要求,助力企业高效并网、安全运行、大化收益!
安科瑞给诸多光伏、储能、光储充、源网荷储充项目拥有较丰富的项目经验以及集成解决方案的技术实力和售后服务能力,赋能各行各业的企业用户实现用电可靠安全高效经济性!
上一篇:没有了
关于我们
公司简介荣誉资质资料下载产品展示
ADW300/4G无线4G物联网仪表WiFi电表能耗监测远程抄表 ADL200导轨式多功能单相电表ADL新能源场站电表 ACCU-1000L-G光储充微电网协调控制器 新型电力系统网关 ACCU-1000L微电网系统光储协调控制器边缘计算网关 ACCU-800分布式能源控制器 微电网能量管理协调控制服务与支持
技术文章新闻中心联系我们
联系方式在线留言版权所有 © 2026 安科瑞电气股份有限公司 备案号:沪ICP备05031232号-31
技术支持:智能制造网 管理登陆 sitemap.xml