
产品分类
更新时间:2025-11-17
浏览次数:18一. 背 景
随着分布式光伏装机容量的快速提升,光伏发电高峰时段向电网的“逆流”问题愈发突出。当光伏发电功率超过本地负荷所需时,富余电力将反向流入电网,不仅引起电网电压升高、影响供电质量,还可能对用户侧及光伏发电设备造成损害,进而威胁整个电网系统的安全稳定运行。
在此背景下,国家能源局《分布式光伏发电开发建设管理办法》明确规定,大型工商业分布式光伏项目原则上应采用“全部自发自用”模式。这一政策导向进一步强化了防逆流配置的必要性,推动防逆流技术成为保障光伏项目合规运行与电网安全的关键措施。
二. 项目概况
某城某煤炭开发公司分布式光伏项目,位于江西省装机容量为5.8MW,采用自发自用、余电不上网模式。
某城某煤炭开发公司分布式光伏项目为35/10kV项目,35kV侧采用两路电源单母线分段系统,一路进线引自国网线路仙曲线进线,一路进线引自用户自有电厂开关电曲线进线。本项目共设置1个10kV并网点,并网点下带3个光伏升压箱变,仙曲线进线距离并网点100-200m,电曲线进线距离并网点6公里。针对接入的光伏,该项目要求自发自用、余电不上网,逆流检测点设置在曲江变电所35kV仙曲线进线、电厂变电所仙电线进线。根据上述基本条件结合原施工图设计制定以下通过防逆流主从机实现光伏并网不上网。
2.1 项目需求
测量
三. 产品方案
本项目根据用户需求采用AM5SE-PV系列主从机防逆流保护,通过GOOSE通讯方案实现防逆流刚性跳闸,详细方案如下。

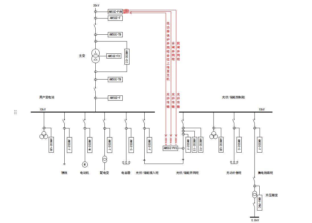
如图1为本项目产品配置图,在电厂变电所仙电线进线配置1台防逆流主机1#AM5SE-PVM-GOOSE采集进线电流、电压,计算功率Ppcc1;在曲江变电所35kV仙曲线进线配置1台防逆流主机2#AM5SE-PVM-GOOSE采集进线电流、电压,计算功率Ppcc2;在升压箱变低压侧配置1台防逆流从机AM5SE-PVS-GOOSE用于分合低压侧开关。防逆流主机和防逆流从机之间通过光口交换机经由移动公司基站光纤网络组成一个局域网。
3.1 刚性防逆流保护策略如下:
3.1.1 电厂变电所仙电线进线:
当Ppcc1<P11,且功率因数PF>0时,由主机1#AM5SE-PVM-GOOSE通过GOOSE通讯网络发命令给从机AM5SE-PVS-GOOSE,从机跳开1#升压箱变低压侧QF1;
当Ppcc1<P12,且功率因数PF>0时,由主机1#AM5SE-PVM-GOOSE通过GOOSE通讯网络发命令给从机AM5SE-PVS-GOOSE,从机跳开2#升压箱变低压侧QF2;
当Ppcc1<P13,且功率因数PF>0时,由主机1#AM5SE-PVM-GOOSE通过GOOSE通讯网络发命令给从机AM5SE-PVS-GOOSE,从机跳开3#升压箱变低压侧QF3;
3.1.2 曲江变电所仙曲线进线:
当Ppcc2<P21,且功率因数PF>0时,由主机2#AM5SE-PVM-GOOSE通过GOOSE通讯网络发命令给从机AM5SE-PVS-GOOSE,从机跳开1#升压箱变低压侧QF1;
当Ppcc2<P22,且功率因数PF>0时,由主机2#AM5SE-PVM-GOOSE通过GOOSE通讯网络发命令给从机AM5SE-PVS-GOOSE,从机跳开2#升压箱变低压侧QF2;
当Ppcc2<P23,且功率因数PF>0时,由主机2#AM5SE-PVM-GOOSE通过GOOSE通讯网络发命令给从机AM5SE-PVS-GOOSE,从机跳开3#升压箱变低压侧QF3;
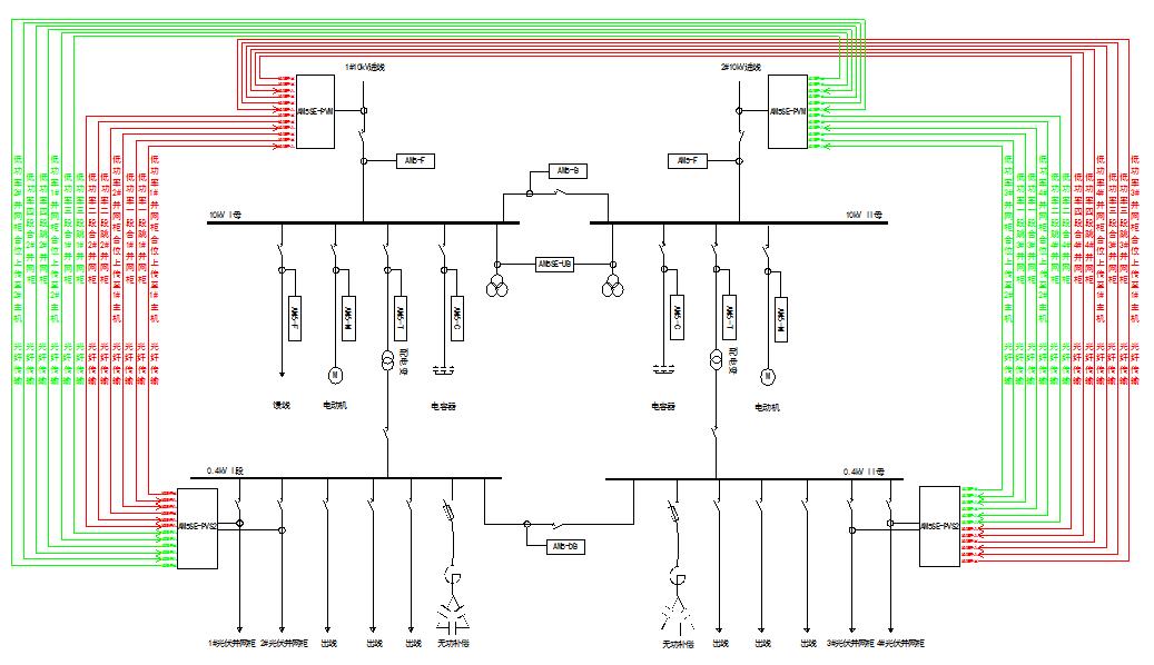
3.1.3 项目拓扑方案
(1)方案拓扑图

(2)防逆流保护
产品图片展示

现场安装图片
本项目防逆流主机和从机均采用壁挂箱方式安装,现场安装图片如下。

产品关联方案
除上述GOOSE通讯方案外,AM5SE-PV系列还支持光纤直跳方案,主要分为AM5SE-PVM主机、AM5SE-PVS从机、AM5SE-PVS2从机,主机和从机之间通过光纤连接,可选择多模或单模光纤,多模光纤适用于市电进线和并网点距离100m-1.5km,单模光纤适用于市电进线和并网点距离1.5km-20km。其中AM5SE-PVS从机适用于单市电进线,AM5SE-PVS2适用于多市电进线,以下针对单市电进线和双市电进线应用场景如下:
单市电进线光纤直跳防逆流
双市电进线光纤直跳防逆流
四. 结 语
随着分布式光伏装机激增,“逆流” 问题威胁电网安全,国家政策要求大型工商业光伏项目 “全部自发自用”。江西某煤炭开发公司 5.8MW 分布式光伏项目,采用 “自发自用、余电不上网” 模式,配置 AM5SE-PV 系列主从机防逆流保护,通过 GOOSE 通讯方案实现刚性跳闸。在电厂、曲江变电所进线处设主机采集功率,升压箱变低压侧设从机,当进线功率低于设定值且功率因数符合条件时,主机发令从机逐级跳开关。设备壁挂安装,还支持光纤直跳方案适配不同距离场景,有效解决逆流问题,助力大型工商业光伏项目合规运行与电网安全。
上一篇:没有了
关于我们
公司简介荣誉资质资料下载产品展示
ARCM200L-MU电气火灾综合监控装置过压欠压过载过流监测 AIM-OL690V低压发电机/电动机离线系统绝缘监测仪 ADL200W-CT/WF-1-D16ADL200W阳台光储防逆流电表 户用光伏电表 AHKC-BS闭口式霍尔电流传感器 APM521嵌入式网络电力仪表服务与支持
技术文章新闻中心联系我们
联系方式在线留言版权所有 © 2025 安科瑞电气股份有限公司 备案号:沪ICP备05031232号-31
技术支持:智能制造网 管理登陆 sitemap.xml