
产品分类
更新时间:2025-10-22
浏览次数:16一. 背 景
社会经济和科技的发展推动着通信技术、计算机技术、光电技术等的不断进步,在实际生产和生活中现代电力电子设备、变频空调、LED屏、计算机、数字办公设备以及通信设备等被广泛应用,这些设备和装置的使用以及三相不平衡等问题的存在会导致中性线电流过大,容易造成中性线绝缘层老化起火从而引发火灾,存在较大的安全隐患。针对这样的情况,我司新型的ANSNP中线安防保护器可有效消除过大的中性线电流,同时解决谐波污染严重、三相不平衡、功率因数低等电能质量问题。
根据最近几年的火灾数据统计,电气火灾占据所有火灾的比例非常高。2018年全年全国共统计火灾38.9万起,死亡2113人,受伤1637人。电气火灾比例最高,违反电气安装使用规定等引发的火灾共11.6万起,死亡745人,受伤538人,分别占总数的29.7%、35.3%和32.9%。其中电气线路是电气火灾中最主要的起火源,所占的比例高达60%以上,是防范的重点(公安部消防局,2010)。其中由于中性线导致的起火数量占有不小比例,所以治理中性线电流过大问题是非常有必要的。
二. N线电流的影响
三. 中性线定义及危害
中性线的定义:三相电的星形接法是把每一相电源或负载的一端都接在中性点上,将中性点引出的这条线叫中性线,这样就形成三相四线制或者五线制。也可不引出,形成三相三线制。现在的低压配电线路,采用最多的是三相四线制,其中的三条线路分别用A、B、C代表三相,另一条中性线用N代表。
在三相四线制或五线制供电系统运行过程中,中性线引发火灾事故主要通过三种途径:
a. 中性线长期过载导致中性线绝缘层老化,最后使得绝缘层燃烧引发火灾;
b. 中性线故障使中性线开路,导致三相电严重不平衡,烧毁电气设备引发火灾;
c. 中性线老化使线路局部过热,导致中性线绝缘层老化,最后使得绝缘层燃烧引发火灾。
四. 中线安防保护器的基本原理
通过电流检测环节采集系统中性线上各次谐波电流,经控制器快速计算并提取各次谐波电流的含量,生成谐波电流指令,通过功率执行器件输出与谐波电流幅值相等方向相反的补偿电流,补偿电流注入中性线,实现消除中性线电流的目的。
4.1 产品设计标准
GB 50054-2011《低压配电设计规范》GB 17625.1-2012《电磁兼容限值谐波电流发射限值(设备每相输入电流≤16A)》GB/T 17625.8-2015《电磁兼容限值每相输入电流大于16A小于等于75A连接到公用低压系统的设备产生的谐波电流限值》
在三相四线制低压0.4kV配电系统中,中性线一般小于等于相线的线径,而当中性线中存在3N次谐波时,中性线电流非常容易超过相线电流。
4.2 产品功能特点
a. 对末端回路电流进行检测、分析,治理谐波及三相不平衡可治理由3N次谐波和三相不平衡造成的N线电流过大问题消除其造成的电气火灾安全隐患;
b. 温度检测; 末端配电系统智能稳压功能,漏电检测,
c. 实现系统N线电流治理,同时具备谐波电流、无功功率、杂散电流、系统电流突变,谐波电流突变的抑制功能;
d. 系统节能功能 ;降低系统线缆损耗,降低系统由于集肤效应引起的损耗问题,实现综合节能。同时可以提高系统的元件使用寿命,降低维修成本。
e. 无线数据传输功能及手机APP交互功能(通过手机APP控制设备运行启停、参数设置和运行数据查询,方便运维管理和操作。(设备自带无线WiFi通讯,用于手机App近端监控 )。
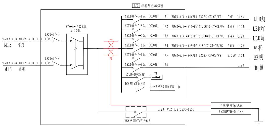
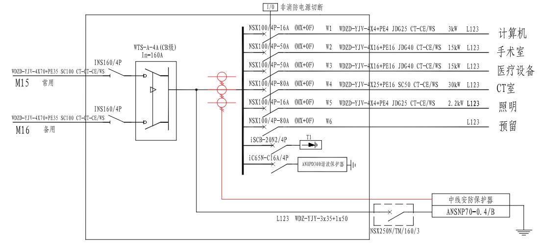
4.2 中线安防保护器上图示例
注:若断路器外置于配电箱,需要给断路器加装配电箱,其配电箱的尺寸参考下表。
4.3 产品实物照片和尺寸
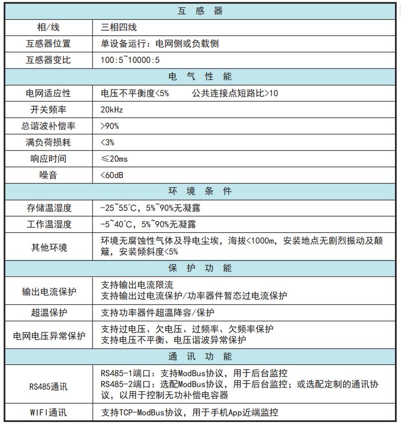
4.4 技术参数
4.5 产品证书
五. ANSNP中线安防保护器应用案例
5.1 某某体育中心N线治理项目
某某体育中心泛光照明供配电系统,选择10个测量点测量了电参量,各个配电箱总进线端A/B/C三相电流基本平衡,各相电流有效值不超过350A,但是N线电流有效值非常大,N线电流是相线电流的1.7倍左右,总结当前系统存在以下几点问题:
(1) N电流是相线电流的1-1.7倍左右;
(2) N电流的主要谐波频次为3次谐波电流,同时还存在3N次谐波和不平衡电流;
(3) 总电流谐波畸变率相对偏高;
(4) 非线性负荷(开关电源型)基波功率因数cos中为容性,若THDi减小,全波功率因数PF会相应增大。
※原因分析
该系统主要负荷类型为开关电源型,开关电源型负荷有2大特点:
(1) 电流有效值分解后,谐波电流以3次谐波电流为主,THDi一般在70%-120%之间
(2)纯开关电源的无功特性为容性无功居多,开关电源的无功本身属于容性无功,如果主动投入电容器的话,反而会使系统无功功率增加,出现功率因数急速降低的现象。
另外,理论上讲中性线产生电流的原因主要有两方面 :
(1) A/B/C三相不平衡导致中性线上有零序电流的存在;
(2) 相线3N次谐波电流会在中性线上叠加。
※净化效果
如图所示,需要测量的数据主要为N线电流及总谐波电流畸变率。图左上为监测点电流,右上为对应电流畸变率。Irms1为相线网侧电流,2为相线负载电流,3为中性线网侧电流,4为ANSNP发出电流,体育中心AL8号配电箱负载经过ANSNP设备治理后,相线电流从175A左右降到128A左右。ANSNP设备输出274A的补偿电流,中性线电流经过补偿后在37A左右,满足对治理效果的预期要求。
5.2 商业广场N线治理项目
某商业广场由于LED屏在工作过程中功率会不断变化,导致N线电流大小随之变化,配电间中性线发热,配电箱温度较高;随着N电流的波动变化,变压器间歇发出异响,现场母排和柜子之间的震动声响比较频繁。
※ 数据分析
根据LED屏亮度50%时变压器测量数据可知,变压器进线侧电流畸变率约为45%,总谐波电流约为295A,N线电流约为640A,3次谐波电流最大为242A,超过国标《GB/T 14549-1993》中对应规定的限值(62A);电压畸变率A相为5.03%,超出国标限值5%。根据LED亮度50%时末端配电箱测量数据可知,未端配电箱电流畸变率约为85%,总谐波电流约为 229A,N线电流约为438A,3次谐波电流最大为149A,超过国标《GB/T 14549-1993》中对应规定的限值(62A);电压畸变率约为12%,超出国标限值5%。
※ 方案选型
※ 净化效果
如下表所示,经过我们的SNP设备治理后,在LED屏亮度50%时,变压器进线侧中性线电流从622A降到43A左右;LED屏配电箱中性线电流从438A降到32A左右,满足对治理效果的预期要求。
六. ANSNP中线安防保护器-应用场景
机场,体育馆,影剧院: 照明灯光系统,音响系统;
学校,研究院: 精密实验室,机房,数据中心;
医院: 医用大型设备使用室,如手术室楼层,医学成像检验科,放疗科等;
商业综合体: 大型LED屏幕,舞台调光系统,地下停车场充电桩区域 。
七. 结 语
当前,现代电力电子设备普及及三相不平衡问题,导致中性线电流过大,易引发绝缘层老化起火,电气火灾占比高且中性线是重要起火源之一。安科瑞ANSNP中线安防保护器应运而生,它通过采集中性线谐波电流,计算并输出反向补偿电流消除过大电流,还能解决谐波污染、三相不平衡等问题。产品符合多项国标,具备温度检测、智能稳压等功能,支持无线传输与手机APP操控。在体育中心、商业广场等案例中,治理后中性线电流大幅下降,效果好,适用于机场、医院、商业综合体等多类场景,可消除安全隐患、节能降耗并延长设备寿命。
上一篇:没有了
关于我们
公司简介荣誉资质资料下载产品展示
Acrel-2000MG/B1光伏储能电站微电网能量管理策略控制箱 DJSF1352-RN-2/S直流电能表用于充电桩 电信基站 光伏电站 ASCM5E低压400V智能塑壳断路器电量计量 四遥功能 AM5SE-PV110kV防逆流保护测控装置 光伏发电系统保护 ADW600以太网 WIFI 4G无线通讯多回路物联网电表服务与支持
技术文章新闻中心联系我们
联系方式在线留言版权所有 © 2025 安科瑞电气股份有限公司 备案号:沪ICP备05031232号-31
技术支持:智能制造网 管理登陆 sitemap.xml